详细说明:
详情介绍:
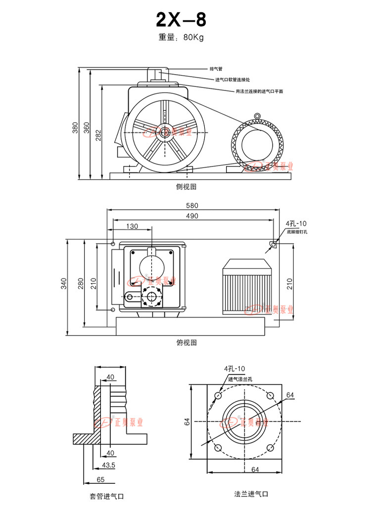
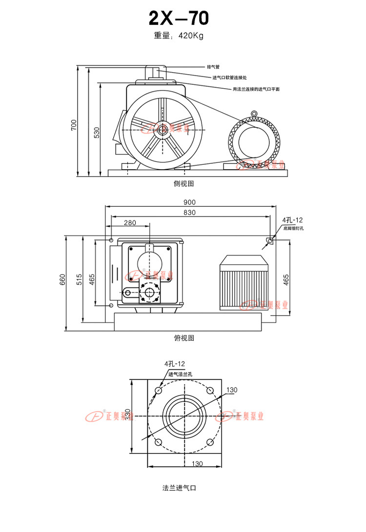
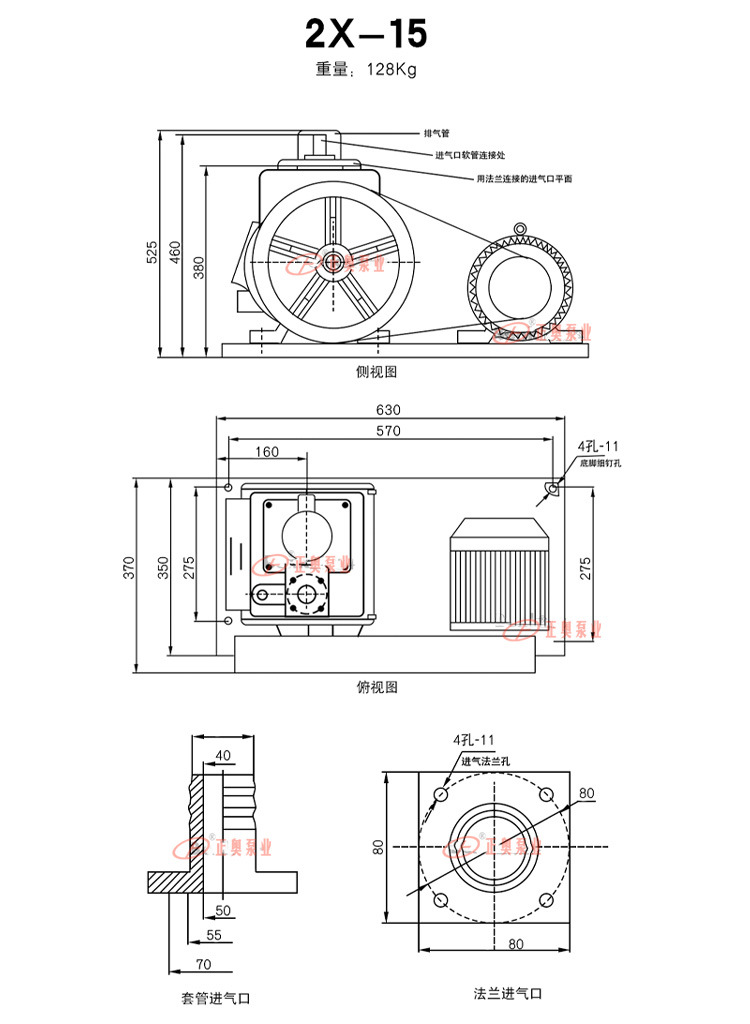
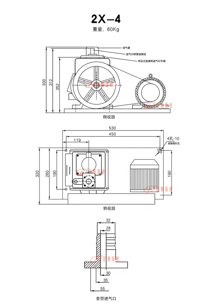
正奥泵业产品:2X-15A水冷型皮带式双级旋片式真空泵工业抽真空树脂脱泡机设备
流量:15(L/S)
电压:220(v)
进出口径:40(mm)
功率:1.5(kw)
主要用途:可供冶金、化工、轻工、石油、医疗、制药、印染、电器、电真空、半导体、食品、原子能、纺织等科研机关、大专院校、工矿企业作科研和生产与教学之用。
一、2X-15A水冷型皮带式双级旋片式真空泵产品概述:
2X-15A水冷型皮带式双级旋片式真空泵用以抽除特定密封容器内的气体,使该容器获得一定真空度的基本设备,由于现代科学技术的高度发展,真空泵的应用遍及各个科学领域和各种企业事业单位,可供冶金、化工、轻工、石油、医疗、制药、印染、电器、电真空、半导体、食品、原子能、纺织等科研机关、大专院校、工矿企业作科研和生产与教学之用。
二、2X-15A水冷型皮带式双级旋片式真空泵使用说明:
由于真空泵是用黑色金属制造,而且比较精密,整个泵的工作都是与油联系在一起的,所以它不适用于抽除含氧过高的、易爆性的浸蚀黑色金属的和对真空油起化学作用的各种气体,也不可做为压缩机和输送泵使用。如有气镇装置的泵,可抽除一定量的可凝汽体。
真空泵可以用来直接获得真空度在10-3托以下的真空作业,以及配合其它真空设备获得真空度10.3托以上的真空作业之用。真空泵一般在不低于5℃的室温及不高于9 0%的相对温度的环境内使用。











