一、125QJ系列深井潜水泵产品概况:
125QJ深井泵主要用于深井提水、增压,它广泛适用于农田灌溉、城乡生活区、工矿企业给排水、建筑工程降水、河流、水库、喷泉、制冷系统、温泉浴场、绿化各种水利工程设施。其主要特点是电机和水泵连为一体潜入水中工作,具有使用、安装、维护方便、节能、环保等优点,根据不同要求,可提供不锈钢铸造、不锈钢冲压焊接、铸铜、铸铁不同材质。该水泵对外径具有严格限制,为水润滑,不会出现电机密封泄露,污染水源的情况。
二、使用条件:
电源:380V/50Hz
水质:水温不高于20摄氏度(耐热型不高于80摄氏度)。
固体物含量(按质量计)不大于0.01%
酸碱度(PH值)6.5~8.5
硫化氢含量不大于1.5mg/L
氯离子含量不大于400mg/L
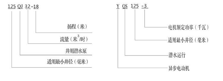
三、型号含义:

四、产品选型参数:
| 序号 | 型号 | 井径(mm) | 流量(m3/h) | 级数 | 扬程(m) | 功率(KW) | 出水口(mm) |
| 1 | 125QJ5-63/7 | 125 | 5 | 7 | 63 | 2.2 | 40 |
| 2 | 125QJ5-72/8 | 125 | 5 | 8 | 72 | 3 | 40 |
| 3 | 125QJ5-81/9 | 125 | 5 | 9 | 81 | 3 | 40 |
| 4 | 125QJ5-90/10 | 125 | 5 | 10 | 90 | 4 | 40 |
| 5 | 125QJ5-99/11 | 125 | 5 | 11 | 99 | 4 | 40 |
| 6 | 125QJ5-108/12 | 125 | 5 | 12 | 108 | 4 | 40 |
| 7 | 125QJ5-117/13 | 125 | 5 | 13 | 117 | 4 | 40 |
| 8 | 125QJ5-126/14 | 125 | 5 | 14 | 126 | 5.5 | 40 |
| 9 | 125QJ5-135/15 | 125 | 5 | 15 | 135 | 5.5 | 40 |
| 10 | 125QJ5-144/16 | 125 | 5 | 16 | 144 | 5.5 | 40 |
| 11 | 125QJ5-153/18 | 125 | 5 | 18 | 153 | 7.5 | 40 |
| 12 | 125QJ5-162/19 | 125 | 5 | 19 | 162 | 7.5 | 40 |
| 13 | 125QJ5-171/20 | 125 | 5 | 20 | 171 | 7.5 | 40 |
| 14 | 125QJ5-180/21 | 125 | 5 | 21 | 180 | 7.5 | 40 |
| 15 | 125QJ5-189/22 | 125 | 5 | 22 | 189 | 7.5 | 40 |
| 16 | 125QJ5-198/23 | 125 | 5 | 23 | 198 | 7.5 | 40 |
| 17 | 125QJ5-216/25 | 125 | 5 | 25 | 216 | 7.5 | 40 |
| 18 | 125QJ5-225/26 | 125 | 5 | 26 | 225 | 9.2 | 40 |
| 19 | 125QJ5-250/29 | 125 | 5 | 29 | 250 | 9.2 | 40 |
| 20 | 125QJ5-255/30 | 125 | 5 | 30 | 255 | 9.2 | 40 |
| 21 | 125QJ5-300/35 | 125 | 5 | 35 | 300 | 9.2 | 40 |
| 22 | 125QJ10-40/5 | 125 | 10 | 5 | 40 | 2.2 | 50 |
| 23 | 125QJ10-48/6 | 125 | 10 | 6 | 48 | 3 | 50 |
| 24 | 125QJ10-56/7 | 125 | 10 | 7 | 56 | 3 | 50 |
| 25 | 125QJ10-64/8 | 125 | 10 | 8 | 64 | 4 | 50 |
| 26 | 125QJ10-72/9 | 125 | 10 | 9 | 72 | 4 | 50 |
| 27 | 125QJ10-80/10 | 125 | 10 | 10 | 80 | 4 | 50 |
| 28 | 125QJ10-88/11 | 125 | 10 | 11 | 88 | 5.5 | 50 |
| 29 | 125QJ10-96/12 | 125 | 10 | 12 | 96 | 5.5 | 50 |
| 30 | 125QJ10-104/13 | 125 | 10 | 13 | 104 | 5.5 | 50 |
| 31 | 125QJ10-112/14 | 125 | 10 | 14 | 112 | 7.5 | 50 |
| 32 | 125QJ10-120/15 | 125 | 10 | 15 | 120 | 7.5 | 50 |
| 33 | 125QJ10-128/16 | 125 | 10 | 16 | 128 | 7.5 | 50 |
| 34 | 125QJ10-136/17 | 125 | 10 | 17 | 136 | 7.5 | 50 |
| 35 | 125QJ10-144/18 | 125 | 10 | 18 | 144 | 9.2 | 50 |
| 36 | 125QJ10-152/19 | 125 | 10 | 19 | 152 | 9.2 | 50 |
| 37 | 125QJ10-160/20 | 125 | 10 | 20 | 160 | 9.2 | 50 |
| 38 | 125QJ10-176/22 | 125 | 10 | 22 | 176 | 11 | 50 |
| 39 | 125QJ10-192/24 | 125 | 10 | 24 | 192 | 11 | 50 |
| 40 | 125QJ10-200/25 | 125 | 10 | 25 | 200 | 11 | 50 |
| 41 | 125QJ15-38/5 | 125 | 15 | 5 | 38 | 3 | 50 |
| 42 | 125QJ15-45/6 | 125 | 15 | 6 | 45 | 4 | 50 |
| 43 | 125QJ15-53/7 | 125 | 15 | 7 | 53 | 5.5 | 50 |
| 44 | 125QJ15-60/8 | 125 | 15 | 8 | 60 | 5.5 | 50 |
| 45 | 125QJ15-68/9 | 125 | 15 | 9 | 68 | 5.5 | 50 |
| 46 | 125QJ15-75/10 | 125 | 15 | 10 | 75 | 7.5 | 50 |
| 47 | 125QJ15-82/11 | 125 | 15 | 11 | 82 | 7.5 | 50 |
| 48 | 125QJ15-90/12 | 125 | 15 | 12 | 90 | 7.5 | 50 |
| 49 | 125QJ15-98/13 | 125 | 15 | 13 | 98 | 9.2 | 50 |
| 50 | 125QJ15-105/14 | 125 | 15 | 14 | 105 | 9.2 | 50 |
| 51 | 125QJ15-112/15 | 125 | 15 | 15 | 112 | 9.2 | 50 |
| 52 | 125QJ15-120/16 | 125 | 15 | 16 | 120 | 9.2 | 50 |
| 53 | 125QJ15-128/17 | 125 | 15 | 17 | 128 | 11 | 50 |
| 54 | 125QJ15-135/18 | 125 | 15 | 18 | 135 | 11 | 50 |
| 55 | 125QJ15-142/19 | 125 | 15 | 19 | 142 | 11 | 50 |
| 56 | 125QJ15-150/20 | 125 | 15 | 20 | 150 | 11 | 50 |
| 57 | 125QJ15-180/24 | 125 | 15 | 24 | 180 | 11 | 50 |
| 58 | 125QJ20-30/5 | 125 | 20 | 5 | 30 | 3 | 50 |
| 59 | 125QJ20-36/6 | 125 | 20 | 6 | 36 | 4 | 50 |
| 60 | 125QJ20-42/7 | 125 | 20 | 7 | 42 | 4 | 50 |
| 61 | 125QJ20-48/8 | 125 | 20 | 8 | 48 | 5.5 | 50 |
| 62 | 125QJ20-54/9 | 125 | 20 | 9 | 54 | 5.5 | 50 |
| 63 | 125QJ20-60/10 | 125 | 20 | 10 | 60 | 7.5 | 50 |
| 64 | 125QJ20-66/11 | 125 | 20 | 11 | 66 | 7.5 | 50 |
| 65 | 125QJ20-72/12 | 125 | 20 | 12 | 72 | 7.5 | 50 |
| 66 | 125QJ20-78/13 | 125 | 20 | 13 | 78 | 9.2 | 50 |
| 67 | 125QJ20-84/14 | 125 | 20 | 14 | 84 | 9.2 | 50 |
| 68 | 125QJ20-90/15 | 125 | 20 | 15 | 90 | 9.2 | 50 |
| 69 | 125QJ20-96/16 | 125 | 20 | 16 | 96 | 11 | 50 |
| 70 | 125QJ20-102/17 | 125 | 20 | 17 | 102 | 11 | 50 |
| 71 | 125QJ20-108/18 | 125 | 20 | 18 | 108 | 11 | 50 |
| 72 | 125QJ25-30/5 | 125 | 25 | 5 | 30 | 5.5 | 50 |
| 73 | 125QJ25-36/6 | 125 | 25 | 6 | 36 | 5.5 | 50 |
| 74 | 125QJ25-42/7 | 125 | 25 | 7 | 42 | 7.5 | 50 |
| 75 | 125QJ25-48/8 | 125 | 25 | 8 | 48 | 7.5 | 50 |
| 76 | 125QJ25-54/9 | 125 | 25 | 9 | 54 | 9.2 | 50 |
| 77 | 125QJ25-60/10 | 125 | 25 | 10 | 60 | 9.2 | 50 |
| 78 | 125QJ25-66/11 | 125 | 25 | 11 | 66 | 9.2 | 50 |
| 79 | 125QJ25-72/12 | 125 | 25 | 12 | 72 | 11 | 50 |
| 80 | 125QJ25-78/13 | 125 | 25 | 13 | 78 | 11 | 50 |
| 81 | 125QJ25-84/14 | 125 | 25 | 14 | 84 | 11 | 50 |
| 82 | 125QJ25-96/16 | 125 | 25 | 16 | 96 | 13 | 50 |
| 83 | 125QJ30-24/4 | 125 | 30 | 4 | 24 | 4 | 65 |
| 84 | 125QJ30-30/5 | 125 | 30 | 5 | 30 | 5.5 | 65 |
| 85 | 125QJ30-36/6 | 125 | 30 | 6 | 36 | 5.5 | 65 |
| 86 | 125QJ30-42/7 | 125 | 30 | 7 | 42 | 7.5 | 65 |
| 87 | 125QJ30-48/8 | 125 | 30 | 8 | 48 | 7.5 | 65 |
| 88 | 125QJ30-54/9 | 125 | 30 | 9 | 54 | 9.2 | 65 |
| 89 | 125QJ30-60/10 | 125 | 30 | 10 | 60 | 9.2 | 65 |
| 90 | 125QJ30-66/11 | 125 | 30 | 11 | 66 | 11 | 65 |
| 91 | 125QJ30-72/12 | 125 | 30 | 12 | 72 | 11 | 65 |



五、允许介质范围
1:无杂质清水,冷冻水/冷却水,雨水,煤矿、铁矿、金属矿等地下涌水,引用水,矿泉水等。
2:允许工作水温范围+5至+25℃
3:固体杂质含量(质量比)不大于0.01%
4:PH值(酸碱度)6.5-8.5
5:硫化氢的含量不大于1.5mg/L
6: 氯离子的含量不大于400mg/L
7: 机组必须侵没水中工作。
六、电机参数
潜水电机为清水润滑,使用前必须给电机腔内注满洁净的清水,(注:一定要注满否则将减少电机的使用寿命)如果忘记加水电机将迅速烧坏。
电机防护等级:IPX8
七、电源:
380V/50HZ 660V/50HZ
如果客户需要特殊电压或特殊频率时需要提前告知我们。
八、材料:
叶轮:铸铁HT200,或锡青铜(各种牌号)如:ZCuSn3Zn8Pb6Ni1
泵壳:铸铁HT200,或不锈钢如:2Gr13.304
泵轴:冷拉钢镀铬,或不锈钢2Gr13(1050℃调质处理,加强扭矩)
电机密封:橡胶密封O形环;机器密封.
电机膨胀调节囊橡胶材质。
九、设备优点:
在工厂的精心组装保证了现场迅速可靠的安装
采用多级叶轮,噪音极小
内装的止回阀,防治水锤的冲击。
单级扬程高,可降低整个机组的高度增加运转的稳定性,泵轴直径为φ42mm增加了泵轴的抗扭性能。轴瓦采用橡胶材料制成更加耐磨,并配有进口材料制成的硬质轴瓦。



