详细说明:
一、产品概述:
上奥牌ZCQ型自吸式磁力驱动泵(以下简称自吸泵)该泵以静密封取代动密封,使泵的过流部件处于密封状态,解决了其它泵机械密封无法避免的跑、冒、滴、漏之弊病,泵体及过流部件的材料均采用了耐腐蚀的不锈钢、钢玉陶瓷、四氟石墨等材料制造,既有CQ型磁力驱动泵的功能,又集皂吸于一身,不需底阀和引灌水,自吸高度4米。
二、产品特点:
该泵结构紧凑,外形美观,体积小,噪音低,运行可靠,使用维修方便,可广泛用于石油、化工、制药、电镀、印染、食品、科研等单位抽送酸、碱、油类及稀有贵重液、毒液、挥发性液体,以及循环水设备配套,特别是易漏、易燃、易爆液体的抽送。
三、型号意义:

ZCQ自吸磁力泵工作原理
ZCQ自吸磁力泵采用外混式轴向回水泵体结构,泵体由吸液室、储液室、蜗壳、回流孔、气液分离室等部份组成,结构见图。泵启动 后,在离心力的作用下,吸水室中的剩余液与进液管路中的空气被叶轮搅拌成气水混合物,混合物经蜗壳进入气液分离室,随着速度减慢,导致气水分离,空气由泵出液口排出,液经回水孔返回泵内,经过多次循环,进液管道中的空气被排净,使泵内形成一定的真空度,达到自吸的作用。
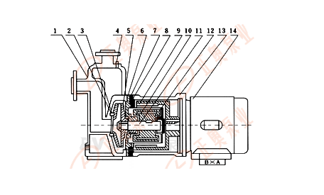
ZCQ自吸磁力泵结构说明
| ||||||||||||||
![]() | ||||||||||||||
|

三、结构爆炸图:
|










